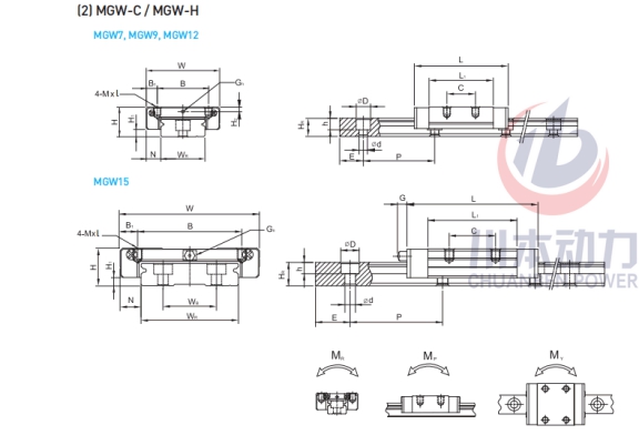
MGW15H 臺灣HIWIN滑塊 HIWIN導軌 臺灣上銀滑塊導軌
組件尺寸 | H | 16 | mm |
H1 | 3.4 | mm | |
N | 9 | mm | |
滑塊尺寸 | W | 60 | mm |
B | 45 | mm | |
B1 | 7.5 | mm | |
C | 35 | mm | |
L1 | 57 | mm | |
L | 73.8 | mm | |
G | 5.2 | mm | |
Gn | M3 | mm | |
MxL | M4*4.2 | mm | |
H2 | 3.2 | mm | |
導軌尺寸 | WR | 42 | mm |
WB | 23 | mm | |
HR | 9.5 | mm | |
D | 8 | mm | |
h | 4.5 | mm | |
d | 4.5 | mm | |
P | 40 | mm | |
E | 15 | mm | |
導軌的固定螺栓尺寸 | 導軌的固定螺栓尺寸 | M4*10 | mm |
基本動額定載荷 | C | 910 | kN |
基本靜額定載荷 | C0 | 1410 | kN |
容許靜力矩 | MR | 30.48 | kN-m |
MP | 12.5 | kN-m | |
MY | 12.5 | kN-m | |
重量 | 滑塊 | 215 | g |
導軌 | 2.86 | kg/m |
TAG:list


